您现在的位置:产品总汇--wh109型
 
wh109型绝缘轴旋转式碳膜电位器
wh109 insulating footstalk rotating carbon film potentiometer

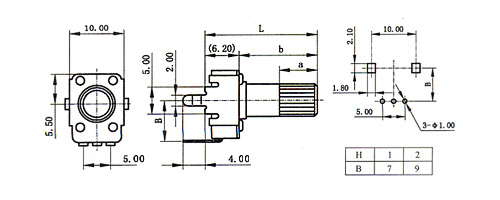
    no.1

外 形 overall 外形尺寸安装尺寸 overall dimension installation dimension
wh109n1a□-□-
         h  x
 
 

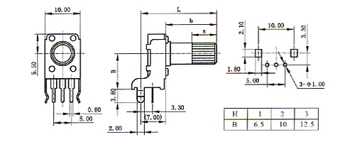
    no.2

外 形 overall 外形尺寸安装尺寸 overall dimension installation dimension
wh109n1d□-
          x
 
 

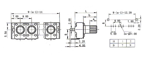
    no.3

外 形 overall 外形尺寸安装尺寸 overall dimension installation dimension
wh109n1a(n)-□-
             x
 
 

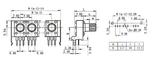
    no.4

外 形 overall 外形尺寸安装尺寸 overall dimension installation dimension
wh109n1d(n)-□-
             x
全程回转角 290°±5° 额定功率 0.05w
回转扭力 1~8mn.m 最高使用电压 ac50v/dc20v
止回转强度 300mn.m 终端电阻 r≥250kω            0.1%r max
250kω>r>10kω     20ω max
10kω≥r            10ω max
轴推拉强度 50n
轴摇晃 0.8×l/30mmp.p max 滑动噪声 ≤47mv
全称总阻值范围 1k~2mω 绝缘抵抗 more than 100mω at dc250v
总阻值允许偏差 20%(more than 1mω±30%) 耐电压 for 1 minute or more at ac250v
阻值线性 a、b、c 使用寿命 10,000 cycles
 
 
 

首页 上一页 下一页 末页  共1页,现在是1/1

版权所有:浙江菱峰电子有限公司
策划建设:鹿鼎广告